37 050 STEERING GEAR for Mitsubishi Fuso (1993, FW429M-0530030)
- Chassis No FW429M-0530030
- Vehicle Name THE GREAT JPN
- Product Year 07/01/1993
- Vehicle Model FW429
- Model Year 1993
- Classification Name SNOWPLOW WB-M
- Eng Model 8DC111AZ7864
- Eng No 413319
- TM Model M12S0915
- Axle FF Model F65W133
- Axle FF No 0043693
- Axle RF Model R10TTF282
- Axle RF No 0801016
- Axle RR Model R10TTR259
- Axle RR No 0801015
There is several schemes for current parts group, choose the one you need.
Parts
Attention!
At the request of the manufacturer, we do’t show the full catalog numbers in the public catalog until the purchase is made.
If you have the OEM part number of the part you need, you should use search OEM page.
| Name and number | Req | Weight | Period of application | Price | ||
|---|---|---|---|---|---|---|
| 46013B |
BEARING,STEERING GEAR SECTOR SHAFT ARM SIDE NEEDLE ROLLER ME7066* |
1 | — | 03/01/1990 — 04/01/1995 | quote request | |
| 46013C |
BEARING,STEERING GEAR SECTOR SHAFT ARM SIDE NEEDLE ROLLER ME7062* |
2 | — | 03/01/1990 — 04/01/1995 | quote request | |
| 46039B |
BEARING,STEERING GEAR PINION BALL ME7066* |
2 | — | 04/01/1987 — 04/01/1995 | quote request | |
| 46039D |
BEARING,STEERING GEAR PINION BALL ME7063* |
1 | — | 03/01/1990 — 04/01/1995 | quote request | |
| 46052 |
CAP,STEERING GEAR BODY BREATHER MC8214* |
1 | — | 03/01/1990 — 04/01/1995 | part number changed | |
|
replacement code: Y (?) CAP,STEERING GEAR BODY BREATHER 03221210* |
— | quote request | ||||
| 46068 |
COVER,STEERING GEAR CASE TOP ME7066* |
1 | — | 03/01/1990 — 04/01/1995 | quote request | |
| 46076 |
COVER,STEERING GEAR BALL SCREW ME7069* |
1 | — | 03/01/1990 — 04/01/1995 | part number changed | |
|
replacement code: Y (?) COVER,STEERING GEAR BALL SCREW ME7066* |
— |
JP¥567
US$3.66€3.13 |
||||
| 46082 |
COVER,STEERING GEAR SECTOR SHAFT 18834257* |
1 | — | 04/01/1987 — 04/01/1995 |
JP¥1,365
US$8.82€7.53 |
|
| 46113B |
O-RING & GASKET KIT,STEERING GEAR OVERHAUL MC0902* |
1 | 0.14 kg | 04/01/1987 — 04/01/1995 | part number changed | |
|
replacement code: Y (?) O-RING & GASKET KIT,STEERING GEAR OVERHAUL ME7782* |
— |
JP¥31,605
US$204.29€174.35 |
||||
| 46116C |
OIL SEAL,STEERING GEAR SECTOR SHAFT ME7066* |
1 | — | 03/01/1990 — 04/01/1995 | quote request | |
| 46126A |
PLUG & SEAL ASSY,STEERING GEAR ME7204* |
1 | — | 04/01/1987 — 04/01/1995 | part number changed | |
|
replacement code: Y (?) PLUG & SEAL ASSY,STEERING GEAR ME7201* |
— | quote request | ||||
|
replacement code: Y (?) PLUG & SEAL ASSY,STEERING GEAR ME7066* |
— | quote request | ||||
| 46136 |
RETAINER,STEERING GEAR SECTOR SHAFT ADJUSTING BOLT MC8814* |
3 | — | 03/01/1990 — 04/01/1995 | quote request | |
| 46137 |
RING,STEERING GEAR CROSS SHAFT ME7066* |
1 | — | 03/01/1990 — 04/01/1995 | quote request | |
| 46141 |
RING,STEERING GEAR SIDE COVER BACKUP ME7062* |
2 | — | 03/01/1990 — 04/01/1995 | quote request | |
| 46155 |
SHAFT,STEERING GEAR SECTOR GEAR ME7066* |
1 | — | 03/01/1990 — 04/01/1995 |
JP¥38,220
US$247.04€210.85 |
|
| 46196 |
Y-RING,STEERING GEAR SCREW SHAFT ME7204* |
1 | — | 04/01/1987 — 04/01/1995 | part number changed | |
|
replacement code: Y (?) Y-RING,STEERING GEAR SCREW SHAFT ME7201* |
— | quote request | ||||
| 46197B |
Y-RING,STEERING GEAR SECTOR SHAFT ME7066* |
1 | — | 03/01/1990 — 04/01/1995 | quote request | |
| 46197C |
Y-RING,STEERING GEAR SECTOR SHAFT ME7062* |
1 | — | 03/01/1990 — 04/01/1995 | quote request | |
| 46255B |
SEAL RING,STEERING GEAR ME7066* |
1 | — | 03/01/1990 — 04/01/1995 | part number changed | |
|
replacement code: O (?) SEAL RING,STEERING GEAR ME7204* |
0.005 kg |
JP¥2,835
US$18.32€15.64 |
||||
| 46255C |
SEAL RING,STEERING GEAR ME7063* |
6 | — | 04/01/1987 — 04/01/1995 | part number changed | |
|
replacement code: O (?) SEAL RING,STEERING GEAR ME7204* |
— | quote request | ||||
| 46255E |
SEAL RING,STEERING GEAR ME7063* |
1 | — | 03/01/1990 — 04/01/1995 | quote request | |
| 46272E |
SCREW,STEERING GEAR INR ME7063* |
2 | — | 03/01/1990 — 04/01/1995 | quote request | |
| 46283E |
WASHER,STEERING GEAR INR SPRING 36 03221210* |
1 | — | 03/01/1990 — 04/01/1995 |
JP¥515
US$3.33€2.84 |
|
| 46283F |
WASHER,STEERING GEAR INR PLAIN 36 03221210* |
1 | — | 03/01/1990 — 04/01/1995 |
JP¥441
US$2.85€2.43 |
|
| 46283G |
WASHER,STEERING GEAR INR TOOTH 6 MF4508* |
2 | 0.005 kg | 03/01/1990 — 04/01/1995 |
JP¥210
US$1.36€1.16 |
|
| 46283Q |
WASHER,STEERING GEAR INR ME7390* |
1 | 0.001 kg | 04/01/1987 — 04/01/1995 |
JP¥294
US$1.90€1.62 |
|
| 46284D |
WASHER,STEERING GEAR 18 MF4504* |
10 | — | 11/01/1986 — 04/01/1995 |
JP¥273
US$1.76€1.51 |
|
| 46286B |
PLUG,STEERING GEAR INR MC8013* |
6 | — | 03/01/1990 — 04/01/1995 |
JP¥252
US$1.63€1.39 |
|
| 46289B |
O-RING,STEERING GEAR INR ME7066* |
1 | — | 03/01/1990 — 04/01/1995 | quote request | |
| 46289C |
O-RING,STEERING GEAR INR ME7063* |
3 | — | 03/01/1990 — 04/01/1995 | quote request | |
| 46289D |
O-RING,STEERING GEAR INR ME7063* |
2 | — | 04/01/1987 — 04/01/1995 | part number changed | |
|
replacement code: O (?) O-RING,STEERING GEAR INR ME7204* |
— | quote request | ||||
| 46289F |
O-RING,STEERING GEAR INR ME7063* |
1 | — | 03/01/1990 — 04/01/1995 | part number changed | |
|
replacement code: Y (?) O-RING,STEERING GEAR INR ME7204* |
0.001 kg |
JP¥389
US$2.51€2.15 |
||||
| 46289J |
O-RING,STEERING GEAR INR ME7066* |
2 | — | 04/01/1987 — 04/01/1995 | quote request | |
| 46290B |
NUT,STEERING GEAR INR MC8814* |
1 | — | 03/01/1990 — 04/01/1995 | part number changed | |
|
replacement code: Y (?) NUT,STEERING GEAR INR ME7391* |
— |
JP¥473
US$3.06€2.61 |
||||
| 46290E |
NUT,STEERING GEAR INR LOCK 36 03221210* |
1 | — | 03/01/1990 — 04/01/1995 |
JP¥1,040
US$6.72€5.74 |
|
| 46291C |
NUT,STEERING GEAR 4T NUT 18 MF4300* |
6 | 0.01 kg | 11/01/1986 — 04/01/1995 |
JP¥347
US$2.24€1.91 |
|
| 46291G |
NUT,STEERING GEAR 6T NUT 18 MF4301* |
1 | 0.05 kg | 11/01/1986 — 04/01/1995 | part number changed | |
|
replacement code: Y (?) NUT,STEERING GEAR 6T NUT 18 MF4304* |
0.04 kg |
JP¥336
US$2.17€1.85 |
||||
| 46296B |
BOLT,STEERING GEAR INR MC8814* |
3 | — | 03/01/1990 — 04/01/1995 |
JP¥4,673
US$30.20€25.78 |
|
| 46296C |
BOLT,STEERING GEAR INR WASHER ASSEMBLED MC8812* |
8 | — | 03/01/1990 — 04/01/1995 |
JP¥987
US$6.38€5.44 |
|
| 46296D |
BOLT,STEERING GEAR INR WASHER ASSEMBLED 03221210* |
4 | — | 03/01/1990 — 04/01/1995 |
JP¥2,205
US$14.25€12.16 |
|
| 46297C |
BOLT,STEERING GEAR REAMER 8T 18X48 18634079* |
3 | — | 11/01/1986 — 04/01/1995 | part number changed | |
|
replacement code: Y (?) BOLT,STEERING GEAR REAMER 8T 18X48 MC0918* |
0.15 kg |
JP¥1,470
US$9.50€8.11 |
||||
| 46297F |
BOLT,STEERING GEAR REAMER 8T 18X60 18634077* |
1 | — | 11/01/1986 — 04/01/1995 | part number changed | |
|
replacement code: Y (?) BOLT,STEERING GEAR REAMER 8T 18X60 MC0918* |
0.18 kg |
JP¥5,460
US$35.29€30.12 |
||||
| 46297G |
BOLT,STEERING GEAR 7T BOLT 18X45 MF1049* |
6 | 0.09 kg | 11/01/1986 — 04/01/1995 |
JP¥473
US$3.06€2.61 |
|
| 46501 |
BLEEDER,P/S GEAR MC8214* |
1 | — | 03/01/1990 — 04/01/1995 | part number changed | |
|
replacement code: Y (?) BLEEDER,P/S GEAR 06220400* |
— | quote request | ||||
|
replacement code: Y (?) BLEEDER,P/S GEAR 03244341* |
— | quote request | ||||
| 46502 |
BRACKET,P/S GEAR MC5523* |
1 | 7.2 kg | 11/01/1986 — 04/01/1995 |
JP¥4,776,450
US$30,873.57€26,349.92 |
|
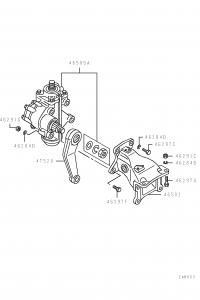
| 46505A |
GEAR ASSY,P/S MC0404* |
1 | 25 kg | 04/01/1987 — 04/01/1995 |
JP¥603,750
US$3,902.46€3,330.67 |
|
| 46507 |
HOUSING,P/S GEAR VALVE ME7202* |
1 | — | 04/01/1987 — 04/01/1995 | quote request | |
| 46523A |
SCREW & HOUSING ASSY,P/S GEAR ME7202* |
1 | — | 04/01/1987 — 04/01/1995 | quote request | |
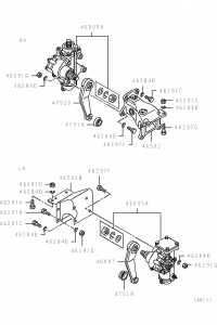
| 47520 |
ARM,PITMAN MC8281* |
1 | 4.5 kg | 03/01/1988 — 04/01/1995 |
JP¥73,920
US$477.80€407.79 |
|
| 48919B |
JOINT,P/S OIL LINE MH0389* |
1 | 0.07 kg | 04/01/1987 — 04/01/1995 | part number changed | |
|
replacement code: O (?) JOINT,P/S OIL LINE MX9349* |
— | quote request | ||||
| 48919C |
JOINT,P/S OIL LINE MH0390* |
1 | 0.1 kg | 04/01/1987 — 04/01/1995 |
JP¥3,675
US$23.75€20.27 |
|
| 48983B |
GASKET,P/S OIL LINE COPPER 18 MF6600* |
1 | 0.002 kg | 03/01/1990 — 04/01/1995 |
JP¥252
US$1.63€1.39 |
|
| 48983C |
GASKET,P/S OIL LINE COPPER 18 MF6600* |
1 | 0.002 kg | 03/01/1990 — 04/01/1995 |
JP¥252
US$1.63€1.39 |