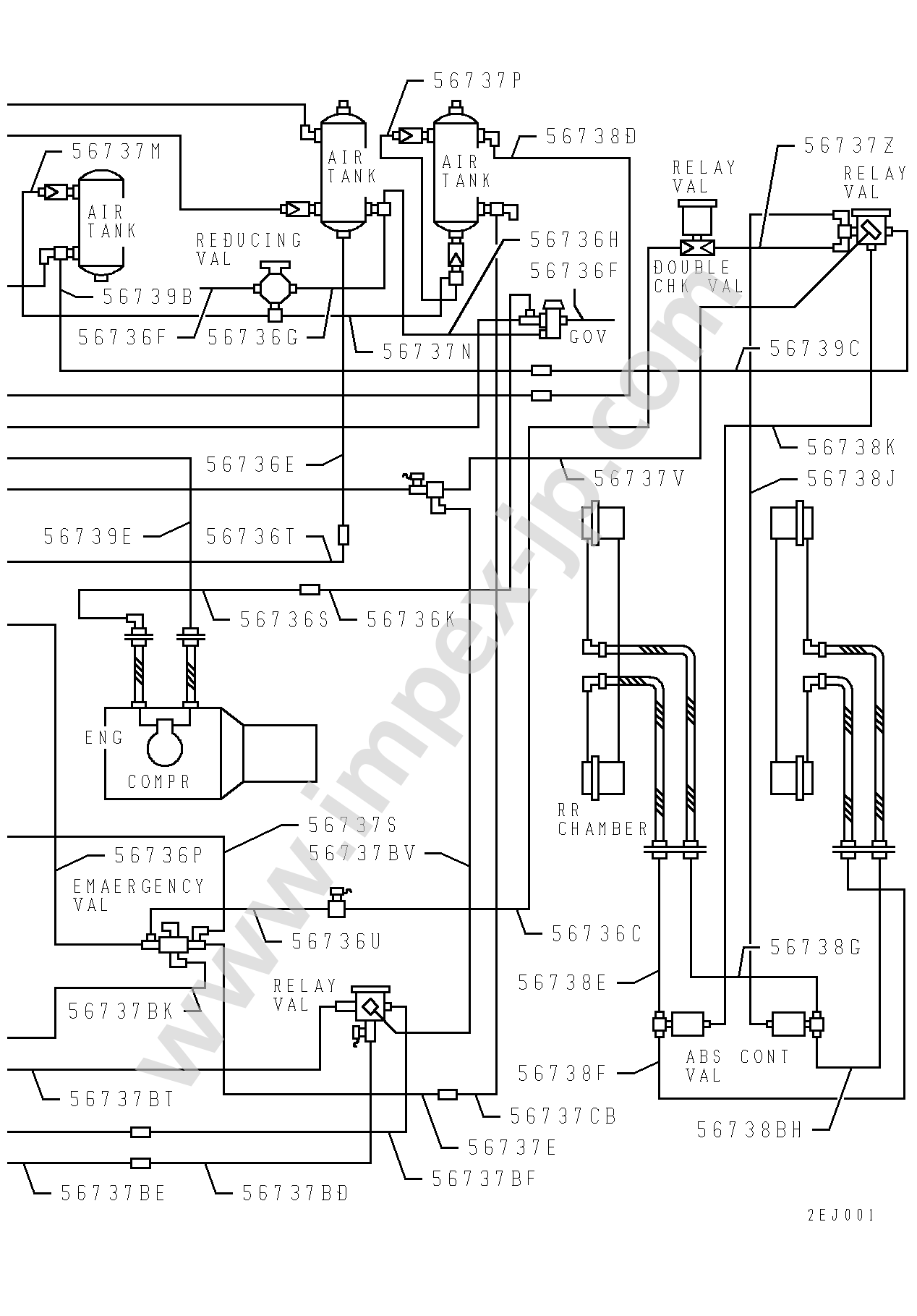
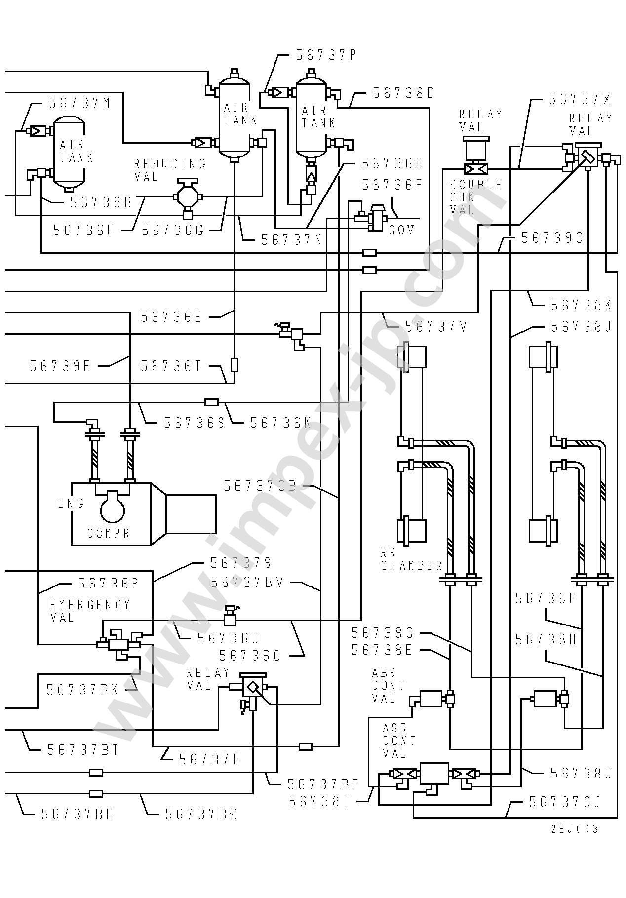
35 410 BRAKE AIR LINE for Mitsubishi Fuso (1997, FV513H-0500357)
- Chassis No FV513H-0500357
- Vehicle Name SUPER GREAT JPN
- Product Year 05/11/1997
- Vehicle Model FV513
- Model Year 1996
- Classification Name SEMI TRAILER WB-H T1TURBO 5TH WHEEL 16-1
- Eng Model 8M2201AZ2201
- Eng No 017381
- TM Model M160SFA103
- TM No B0341526
- Axle FF Model F090TA151
- Axle FF No 0883475
- Axle RF Model R12TTFA2015
- Axle RF No 0067075
- Axle RR Model R12TTRA2008
- Axle RR No 0067074
- Em Mark KC
There is several schemes for current parts group, choose the one you need.
Parts
Attention!
At the request of the manufacturer, we do’t show the full catalog numbers in the public catalog until the purchase is made.
If you have the OEM part number of the part you need, you should use search OEM page.
| Name and number | Req | Weight | Period of application | Price | ||
|---|---|---|---|---|---|---|
| 56733B |
TUBE,BODY BRAKE AIR LINE,NO.6 6 MC0726* |
1 | — | 07/01/1996 — 06/01/1997 | part number changed | |
|
replacement code: O (?) TUBE,BODY BRAKE AIR LINE,NO.6 6 MC0861* |
— |
JP¥3,045
US$19.68€16.80 |
||||
| 56733C |
TUBE,BODY BRAKE AIR LINE,NO.6 6 MC0676* |
1 | — | 07/01/1996 — 06/01/1997 | part number changed | |
|
replacement code: O (?) TUBE,BODY BRAKE AIR LINE,NO.6 6 MC0861* |
— |
JP¥3,255
US$21.04€17.96 |
||||
| 56733D |
TUBE,BODY BRAKE AIR LINE,NO.6 6 MC0726* |
1 | — | 07/01/1996 — 06/01/1997 | part number changed | |
|
replacement code: O (?) TUBE,BODY BRAKE AIR LINE,NO.6 6 MC0861* |
— |
JP¥3,413
US$22.06€18.83 |
||||
| 56734BB |
TUBE,BODY BRAKE AIR LINE,NO.10 10 MC0861* |
1 | — | 07/01/1996 — 02/21/2000 | part number changed | |
|
replacement code: O (?) TUBE,BODY BRAKE AIR LINE,NO.10 10 MC0690* |
— |
JP¥9,188
US$59.39€50.69 |
||||
| 56734BC |
TUBE,BODY BRAKE AIR LINE,NO.10 10 MC0861* |
1 | — | 07/01/1996 — 02/21/2000 | part number changed | |
|
replacement code: O (?) TUBE,BODY BRAKE AIR LINE,NO.10 10 MC0662* |
— |
JP¥3,833
US$24.78€21.15 |
||||
| 56734C |
TUBE,BODY BRAKE AIR LINE,NO.10 10 MC0672* |
1 | — | 07/01/1996 — 06/01/1997 | part number changed | |
|
replacement code: O (?) TUBE,BODY BRAKE AIR LINE,NO.10 10 MC0861* |
— |
JP¥11,550
US$74.66€63.72 |
||||
| 56734E |
TUBE,BODY BRAKE AIR LINE,NO.10 10 MC0705* |
1 | — | 07/01/1996 — 06/01/1997 | part number changed | |
|
replacement code: O (?) TUBE,BODY BRAKE AIR LINE,NO.10 10 MC0861* |
— |
JP¥15,435
US$99.77€85.15 |
||||
| 56734F |
TUBE,BODY BRAKE AIR LINE,NO.10 10 MC0714* |
1 | — | 07/01/1996 — 06/01/1997 | part number changed | |
|
replacement code: O (?) TUBE,BODY BRAKE AIR LINE,NO.10 10 MC0860* |
— |
JP¥9,555
US$61.76€52.71 |
||||
| 56735B |
TUBE,BODY BRAKE AIR LINE,NO.12 12 MC0713* |
1 | — | 07/01/1996 — 02/21/2000 |
JP¥21,840
US$141.17€120.48 |
|
| 56735C |
TUBE,BODY BRAKE AIR LINE,NO.12 12 MC0714* |
1 | — | 07/01/1996 — 06/01/1997 | part number changed | |
|
replacement code: O (?) TUBE,BODY BRAKE AIR LINE,NO.12 12 MC0861* |
— |
JP¥20,475
US$132.34€112.95 |
||||
| 56736C |
TUBE,FRAME BRAKE AIR LINE,NO.6 6 MC0689* |
1 | — | 07/01/1996 — 09/01/1997 | part number changed | |
|
replacement code: O (?) TUBE,FRAME BRAKE AIR LINE,NO.6 6 MC0867* |
— |
JP¥3,518
US$22.74€19.41 |
||||
| 56736E |
TUBE,FRAME BRAKE AIR LINE,NO.6 6 MC0656* |
1 | — | 07/01/1996 — 09/01/1997 | part number changed | |
|
replacement code: O (?) TUBE,FRAME BRAKE AIR LINE,NO.6 6 MC0867* |
— |
JP¥2,415
US$15.61€13.32 |
||||
| 56736F |
TUBE,FRAME BRAKE AIR LINE,NO.6 6 MC0667* |
2 | — | 07/01/1996 — 09/01/1997 | part number changed | |
|
replacement code: O (?) TUBE,FRAME BRAKE AIR LINE,NO.6 6 MC0861* |
— |
JP¥599
US$3.87€3.30 |
||||
| 56736G |
TUBE,FRAME BRAKE AIR LINE,NO.6 10 MC0700* |
1 | — | 07/01/1996 — 09/01/1997 | part number changed | |
|
replacement code: O (?) TUBE,FRAME BRAKE AIR LINE,NO.6 10 MC0867* |
— |
JP¥4,725
US$30.54€26.07 |
||||
| 56736H |
TUBE,FRAME BRAKE AIR LINE,NO.6 6 MC0700* |
1 | — | 07/01/1996 — 09/01/1997 | part number changed | |
|
replacement code: O (?) TUBE,FRAME BRAKE AIR LINE,NO.6 6 MC0867* |
— |
JP¥4,463
US$28.85€24.62 |
||||
| 56736J |
TUBE,FRAME BRAKE AIR LINE,NO.6 6 MC0834* |
1 | — | 04/01/1997 — 02/21/2000 |
JP¥5,145
US$33.26€28.38 |
|
| 56736K |
TUBE,FRAME BRAKE AIR LINE,NO.6 6 MC0656* |
1 | — | 07/01/1996 — 09/01/1997 | part number changed | |
|
replacement code: O (?) TUBE,FRAME BRAKE AIR LINE,NO.6 6 MC0867* |
— |
JP¥3,255
US$21.04€17.96 |
||||
| 56736M |
TUBE,FRAME BRAKE AIR LINE,NO.6 6 MC0706* |
1 | — | 07/01/1996 — 09/01/1997 | part number changed | |
|
replacement code: O (?) TUBE,FRAME BRAKE AIR LINE,NO.6 6 MC0866* |
— |
JP¥4,463
US$28.85€24.62 |
||||
| 56736P |
TUBE,FRAME BRAKE AIR LINE,NO.6 6 MC0734* |
1 | — | 07/01/1996 — 09/01/1997 | part number changed | |
|
replacement code: O (?) TUBE,FRAME BRAKE AIR LINE,NO.6 6 MC0867* |
— |
JP¥10,448
US$67.53€57.64 |
||||
| 56736Q |
TUBE,FRAME BRAKE AIR LINE,NO.6 6 MC0733* |
1 | — | 07/01/1996 — 09/01/1997 | part number changed | |
|
replacement code: O (?) TUBE,FRAME BRAKE AIR LINE,NO.6 6 MC0867* |
— |
JP¥9,555
US$61.76€52.71 |
||||
| 56736S |
TUBE,FRAME BRAKE AIR LINE,NO.6 6 MC0689* |
1 | — | 07/01/1996 — 09/01/1997 | part number changed | |
|
replacement code: O (?) TUBE,FRAME BRAKE AIR LINE,NO.6 6 MC0868* |
— |
JP¥8,453
US$54.64€46.63 |
||||
| 56736T |
TUBE,FRAME BRAKE AIR LINE,NO.6 6 MC0719* |
1 | — | 07/01/1996 — 09/01/1997 | part number changed | |
|
replacement code: Y (?) TUBE,FRAME BRAKE AIR LINE,NO.6 6 MC0867* |
— |
JP¥3,518
US$22.74€19.41 |
||||
| 56736U |
TUBE,FRAME BRAKE AIR LINE,NO.6 6 MC0702* |
1 | — | 07/01/1996 — 09/01/1997 | part number changed | |
|
replacement code: O (?) TUBE,FRAME BRAKE AIR LINE,NO.6 6 MC0867* |
— |
JP¥8,190
US$52.94€45.18 |
||||
| 56737B |
TUBE,FRAME BRAKE AIR LINE,NO.10 10 MC0721* |
1 | — | 07/01/1996 — 09/01/1997 | part number changed | |
|
replacement code: O (?) TUBE,FRAME BRAKE AIR LINE,NO.10 10 MC0866* |
— |
JP¥11,130
US$71.94€61.40 |
||||
| 56737BD |
TUBE,FRAME BRAKE AIR LINE,NO.10 10 MC0861* |
1 | — | 07/01/1996 — 02/21/2000 | part number changed | |
|
replacement code: O (?) TUBE,FRAME BRAKE AIR LINE,NO.10 10 MC0701* |
— |
JP¥4,463
US$28.85€24.62 |
||||
| 56737BE |
TUBE,FRAME BRAKE AIR LINE,NO.10 10 MC0861* |
1 | — | 07/01/1996 — 02/21/2000 | part number changed | |
|
replacement code: O (?) TUBE,FRAME BRAKE AIR LINE,NO.10 10 MC0718* |
— |
JP¥5,408
US$34.96€29.83 |
||||
| 56737BF |
TUBE,FRAME BRAKE AIR LINE,NO.10 10 MC0861* |
1 | — | 07/01/1996 — 02/21/2000 | part number changed | |
|
replacement code: O (?) TUBE,FRAME BRAKE AIR LINE,NO.10 10 MC0718* |
— |
JP¥5,775
US$37.33€31.86 |
||||
| 56737BG |
TUBE,FRAME BRAKE AIR LINE,NO.10 10 MC0861* |
1 | — | 07/01/1996 — 02/21/2000 | part number changed | |
|
replacement code: O (?) TUBE,FRAME BRAKE AIR LINE,NO.10 10 MC0656* |
— |
JP¥3,308
US$21.38€18.25 |
||||
| 56737BH |
TUBE,FRAME BRAKE AIR LINE,NO.10 10 MC0861* |
1 | — | 07/01/1996 — 02/21/2000 | part number changed | |
|
replacement code: O (?) TUBE,FRAME BRAKE AIR LINE,NO.10 10 MC0725* |
— |
JP¥4,463
US$28.85€24.62 |
||||
| 56737BJ |
TUBE,FRAME BRAKE AIR LINE,NO.10 10 MC0861* |
1 | — | 07/01/1996 — 02/21/2000 | part number changed | |
|
replacement code: O (?) TUBE,FRAME BRAKE AIR LINE,NO.10 10 MC0725* |
— |
JP¥9,713
US$62.78€53.58 |
||||
| 56737BK |
TUBE,FRAME BRAKE AIR LINE,NO.10 10 MC0861* |
1 | — | 07/01/1996 — 02/21/2000 | part number changed | |
|
replacement code: O (?) TUBE,FRAME BRAKE AIR LINE,NO.10 10 MC0725* |
— |
JP¥4,148
US$26.81€22.88 |
||||
| 56737BM |
TUBE,FRAME BRAKE AIR LINE,NO.10 10 MC0861* |
1 | — | 08/21/1996 — 02/21/2000 | part number changed | |
|
replacement code: O (?) TUBE,FRAME BRAKE AIR LINE,NO.10 10 MC0734* |
— |
JP¥9,713
US$62.78€53.58 |
||||
| 56737BQ |
TUBE,FRAME BRAKE AIR LINE,NO.10 10 MC0861* |
1 | — | 08/21/1996 — 02/21/2000 | part number changed | |
|
replacement code: O (?) TUBE,FRAME BRAKE AIR LINE,NO.10 10 MC0734* |
— |
JP¥9,713
US$62.78€53.58 |
||||
| 56737BT |
TUBE,FRAME BRAKE AIR LINE,NO.10 10 MC0861* |
1 | — | 07/01/1996 — 04/21/1998 | part number changed | |
|
replacement code: O (?) TUBE,FRAME BRAKE AIR LINE,NO.10 10 MC0719* |
— |
JP¥11,550
US$74.66€63.72 |
||||
| 56737BU |
TUBE,FRAME BRAKE AIR LINE,NO.10 10 MC0861* |
1 | — | 07/01/1996 — 02/21/2000 | part number changed | |
|
replacement code: O (?) TUBE,FRAME BRAKE AIR LINE,NO.10 10 MC0734* |
— |
JP¥7,928
US$51.24€43.74 |
||||
| 56737BV |
TUBE,FRAME BRAKE AIR LINE,NO.10 10 MC0861* |
1 | — | 07/01/1996 — 02/21/2000 | part number changed | |
|
replacement code: O (?) TUBE,FRAME BRAKE AIR LINE,NO.10 10 MC0719* |
— |
JP¥10,395
US$67.19€57.35 |
||||
| 56737CB |
TUBE,FRAME BRAKE AIR LINE,NO.10 10 MK3588* |
1 | — | 07/01/1996 — 02/21/2000 | part number changed | |
|
replacement code: V (?) TUBE,FRAME BRAKE AIR LINE,NO.10 10 MC0867* |
— |
JP¥8,820
US$57.01€48.66 |
||||
| 56737CJ |
TUBE,FRAME BRAKE AIR LINE,NO.10 10 MC0737* |
1 | — | 07/01/1996 — 09/01/1997 | part number changed | |
|
replacement code: O (?) TUBE,FRAME BRAKE AIR LINE,NO.10 10 MC0868* |
— |
JP¥7,140
US$46.15€39.39 |
||||
| 56737E |
TUBE,FRAME BRAKE AIR LINE,NO.10 10 MC0702* |
1 | — | 07/01/1996 — 09/01/1997 | part number changed | |
|
replacement code: O (?) TUBE,FRAME BRAKE AIR LINE,NO.10 10 MC0867* |
— |
JP¥10,028
US$64.82€55.32 |
||||
| 56737F |
TUBE,FRAME BRAKE AIR LINE,NO.10 10 MC0719* |
1 | — | 07/01/1996 — 09/01/1997 | part number changed | |
|
replacement code: O (?) TUBE,FRAME BRAKE AIR LINE,NO.10 10 MC0866* |
— |
JP¥5,145
US$33.26€28.38 |
||||
| 56737G |
TUBE,FRAME BRAKE AIR LINE,NO.10 10 MC0656* |
1 | — | 07/01/1996 — 09/01/1997 | part number changed | |
|
replacement code: O (?) TUBE,FRAME BRAKE AIR LINE,NO.10 10 MC0867* |
— |
JP¥5,145
US$33.26€28.38 |
||||
| 56737H |
TUBE,FRAME BRAKE AIR LINE,NO.10 10 MC0734* |
1 | — | 07/01/1996 — 09/01/1997 | part number changed | |
|
replacement code: O (?) TUBE,FRAME BRAKE AIR LINE,NO.10 10 MC0867* |
— |
JP¥15,435
US$99.77€85.15 |
||||
| 56737J |
TUBE,FRAME BRAKE AIR LINE,NO.10 10 MC0721* |
1 | — | 07/01/1996 — 09/01/1997 | part number changed | |
|
replacement code: O (?) TUBE,FRAME BRAKE AIR LINE,NO.10 10 MC0867* |
— |
JP¥12,810
US$82.80€70.67 |
||||
| 56737K |
TUBE,FRAME BRAKE AIR LINE,NO.10 10 MC0674* |
1 | — | 07/01/1996 — 09/01/1997 | part number changed | |
|
replacement code: O (?) TUBE,FRAME BRAKE AIR LINE,NO.10 10 MC0866* |
— |
JP¥14,175
US$91.62€78.20 |
||||
| 56737M |
TUBE,FRAME BRAKE AIR LINE,NO.10 10 MC0700* |
1 | — | 07/01/1996 — 09/01/1997 | part number changed | |
|
replacement code: O (?) TUBE,FRAME BRAKE AIR LINE,NO.10 10 MC0867* |
— |
JP¥15,330
US$99.09€84.57 |
||||
| 56737N |
TUBE,FRAME BRAKE AIR LINE,NO.10 10 MC0700* |
1 | — | 07/01/1996 — 09/01/1997 | part number changed | |
|
replacement code: O (?) TUBE,FRAME BRAKE AIR LINE,NO.10 10 MC0867* |
— |
JP¥6,195
US$40.04€34.18 |
||||
| 56737P |
TUBE,FRAME BRAKE AIR LINE,NO.10 10 MC0700* |
1 | — | 07/01/1996 — 09/01/1997 | part number changed | |
|
replacement code: O (?) TUBE,FRAME BRAKE AIR LINE,NO.10 10 MC0867* |
— |
JP¥6,983
US$45.14€38.52 |
||||
| 56737Q |
TUBE,FRAME BRAKE AIR LINE,NO.10 10 MC0700* |
1 | — | 07/01/1996 — 09/01/1997 | part number changed | |
|
replacement code: O (?) TUBE,FRAME BRAKE AIR LINE,NO.10 10 MC0866* |
— |
JP¥8,190
US$52.94€45.18 |
||||
| 56737S |
TUBE,FRAME BRAKE AIR LINE,NO.10 10 MC0728* |
1 | — | 07/01/1996 — 09/01/1997 | part number changed | |
|
replacement code: O (?) TUBE,FRAME BRAKE AIR LINE,NO.10 10 MC0867* |
— |
JP¥11,655
US$75.33€64.30 |
||||
| 56737T |
TUBE,FRAME BRAKE AIR LINE,NO.10 10 MC0734* |
1 | — | 07/01/1996 — 09/01/1997 | part number changed | |
|
replacement code: O (?) TUBE,FRAME BRAKE AIR LINE,NO.10 10 MC0866* |
— |
JP¥12,705
US$82.12€70.09 |
||||
| 56737V |
TUBE,FRAME BRAKE AIR LINE,NO.10 10 MC0720* |
1 | — | 07/01/1996 — 09/01/1997 | part number changed | |
|
replacement code: O (?) TUBE,FRAME BRAKE AIR LINE,NO.10 10 MC0867* |
— |
JP¥14,175
US$91.62€78.20 |
||||
| 56737W |
TUBE,FRAME BRAKE AIR LINE,NO.10 10 MC0721* |
1 | — | 07/01/1996 — 09/01/1997 | part number changed | |
|
replacement code: O (?) TUBE,FRAME BRAKE AIR LINE,NO.10 10 MC0866* |
— |
JP¥9,135
US$59.05€50.39 |
||||
| 56737X |
TUBE,FRAME BRAKE AIR LINE,NO.10 10 MC0720* |
1 | — | 07/01/1996 — 09/01/1997 | part number changed | |
|
replacement code: O (?) TUBE,FRAME BRAKE AIR LINE,NO.10 10 MC0867* |
— |
JP¥12,705
US$82.12€70.09 |
||||
| 56737Y |
TUBE,FRAME BRAKE AIR LINE,NO.10 10 MC0720* |
1 | — | 07/01/1996 — 09/01/1997 | part number changed | |
|
replacement code: O (?) TUBE,FRAME BRAKE AIR LINE,NO.10 10 MC0867* |
— |
JP¥15,960
US$103.16€88.05 |
||||
| 56737Z |
TUBE,FRAME BRAKE AIR LINE,NO.10 10 MC0736* |
1 | — | 08/01/1996 — 09/01/1997 | part number changed | |
|
replacement code: O (?) TUBE,FRAME BRAKE AIR LINE,NO.10 10 MC0867* |
— |
JP¥5,723
US$36.99€31.57 |
||||
| 56738B |
TUBE,FRAME BRAKE AIR LINE,NO.12 12 MC0725* |
1 | — | 07/01/1996 — 02/21/2000 |
JP¥7,088
US$45.81€39.10 |
|
| 56738C |
TUBE,FRAME BRAKE AIR LINE,NO.12 12 MC0674* |
1 | — | 07/01/1996 — 09/01/1997 | part number changed | |
|
replacement code: O (?) TUBE,FRAME BRAKE AIR LINE,NO.12 12 MC0866* |
— |
JP¥14,805
US$95.70€81.67 |
||||
| 56738D |
TUBE,FRAME BRAKE AIR LINE,NO.12 12 MC0701* |
1 | — | 07/01/1996 — 09/01/1997 | part number changed | |
|
replacement code: O (?) TUBE,FRAME BRAKE AIR LINE,NO.12 12 MC0867* |
— |
JP¥12,810
US$82.80€70.67 |
||||
| 56738E |
TUBE,FRAME BRAKE AIR LINE,NO.12 12 MC0737* |
1 | — | 10/01/1996 — 02/21/2000 |
JP¥20,895
US$135.06€115.27 |
|
| 56738F |
TUBE,FRAME BRAKE AIR LINE,NO.12 12 MC0661* |
1 | — | 07/01/1996 — 02/21/2000 |
JP¥8,453
US$54.64€46.63 |
|
| 56738G |
TUBE,FRAME BRAKE AIR LINE,NO.12 12 MC0737* |
1 | — | 10/01/1996 — 02/21/2000 |
JP¥22,050
US$142.52€121.64 |
|
| 56738H |
TUBE,FRAME BRAKE AIR LINE,NO.12 12 MC0661* |
1 | — | 07/01/1996 — 02/21/2000 |
JP¥8,978
US$58.03€49.53 |
|
| 56738J |
TUBE,FRAME BRAKE AIR LINE,NO.12 12 MC0737* |
1 | — | 10/01/1996 — 02/21/2000 |
JP¥23,940
US$154.74€132.07 |
|
| 56738K |
TUBE,FRAME BRAKE AIR LINE,NO.12 12 MC0736* |
1 | — | 08/01/1996 — 02/21/2000 |
JP¥16,905
US$109.27€93.26 |
|
| 56738M |
TUBE,FRAME BRAKE AIR LINE,NO.12 12 MC0689* |
1 | — | 07/01/1996 — 09/01/1997 | part number changed | |
|
replacement code: O (?) TUBE,FRAME BRAKE AIR LINE,NO.12 12 MC0867* |
— |
JP¥26,880
US$173.74€148.29 |
||||
| 56738T |
TUBE,FRAME BRAKE AIR LINE,NO.12 12 MC0737* |
1 | — | 07/01/1996 — 04/21/1998 |
JP¥13,860
US$89.59€76.46 |
|
| 56738U |
TUBE,FRAME BRAKE AIR LINE,NO.12 12 MC0737* |
1 | — | 07/01/1996 — 04/21/1998 |
JP¥7,298
US$47.17€40.26 |
|
| 56739B |
TUBE,FRAME BRAKE AIR LINE,NO.15 15 MC0700* |
1 | — | 07/01/1996 — 09/01/1997 | part number changed | |
|
replacement code: O (?) TUBE,FRAME BRAKE AIR LINE,NO.15 15 MC0867* |
— |
JP¥17,955
US$116.06€99.05 |
||||
| 56739C |
TUBE,FRAME BRAKE AIR LINE,NO.15 15 MC0720* |
1 | — | 07/01/1996 — 09/01/1997 | part number changed | |
|
replacement code: O (?) TUBE,FRAME BRAKE AIR LINE,NO.15 15 MC0867* |
— |
JP¥29,505
US$190.71€162.77 |
||||
| 56739D |
TUBE,FRAME BRAKE AIR LINE,NO.15 15 MC0714* |
1 | — | 07/01/1996 — 09/01/1997 |
JP¥21,105
US$136.42€116.43 |
|
| 56739E |
TUBE,FRAME BRAKE AIR LINE,NO.15 15 MC0727* |
1 | — | 07/01/1996 — 09/01/1997 | part number changed | |
|
replacement code: O (?) TUBE,FRAME BRAKE AIR LINE,NO.15 15 MC0868* |
— |
JP¥26,040
US$168.31€143.65 |