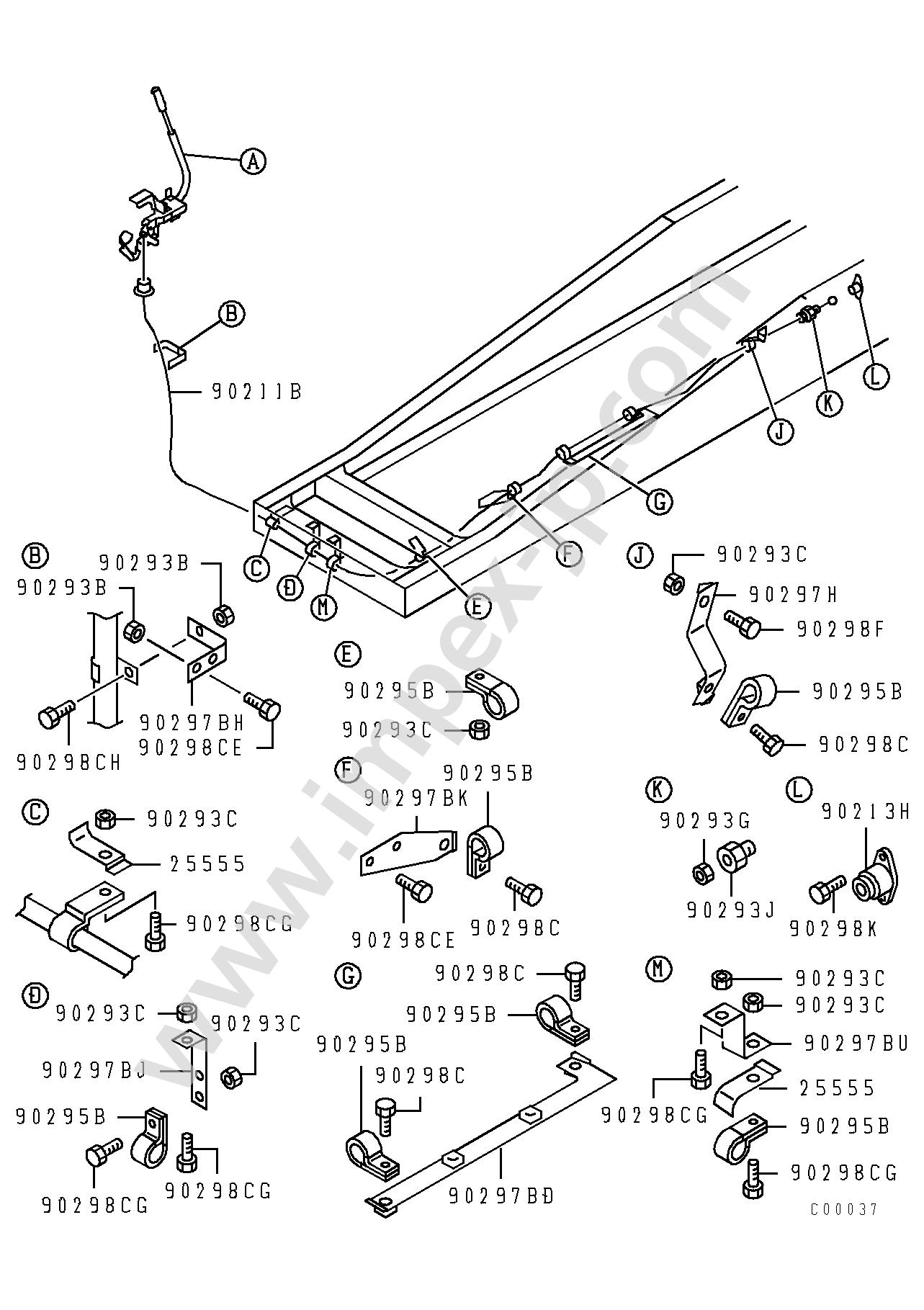
22 470 HOIST CONTROL for Mitsubishi Fuso (2007, FE83D-0540033)
- Chassis No FE83D-0540033
- Vehicle Name CANTER JPN
- Product Year 10/11/2007
- Vehicle Model FE83D
- Model Year 2007
- Classification Name WB-C HIGH-FLOOR DBL A/T 4M50(T4)
- Eng Model 4M504A4F1003
- Eng No C95676
- TM Model M035A4C018
- TM No A0B64228
- Axle FF Model F200T0TJ212
- Axle FF No 0878127
- Axle RF No 0878126
- Axle RR Model R033T10245
- Em Mark PDG
There is several schemes for current parts group, choose the one you need.
Parts
Attention!
At the request of the manufacturer, we do’t show the full catalog numbers in the public catalog until the purchase is made.
If you have the OEM part number of the part you need, you should use search OEM page.
| Name and number | Req | Weight | Period of application | Price | ||
|---|---|---|---|---|---|---|
| 90294 |
GROMMET,HOIST CONTROL LINK D=34 MK4400* |
1 | — | 12/21/2006 — 05/01/2009 |
JP¥494
US$3.19€2.72 |