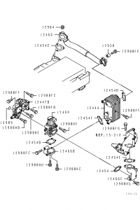
15 710 EXHAUST RECIRCULATION CONTROL for Mitsubishi Fuso (2007, FE83D-0540033)
- Chassis No FE83D-0540033
- Vehicle Name CANTER JPN
- Product Year 10/11/2007
- Vehicle Model FE83D
- Model Year 2007
- Classification Name WB-C HIGH-FLOOR DBL A/T 4M50(T4)
- Eng Model 4M504A4F1003
- Eng No C95676
- TM Model M035A4C018
- TM No A0B64228
- Axle FF Model F200T0TJ212
- Axle FF No 0878127
- Axle RF No 0878126
- Axle RR Model R033T10245
- Em Mark PDG
There is several schemes for current parts group, choose the one you need.
Parts
Attention!
At the request of the manufacturer, we do’t show the full catalog numbers in the public catalog until the purchase is made.
If you have the OEM part number of the part you need, you should use search OEM page.
| Name and number | Req | Weight | Period of application | Price | ||
|---|---|---|---|---|---|---|
| 12400 |
VALVE,EGR ME2252* |
1 | 1.33 kg | 12/21/2006 — 04/01/2008 | part number changed | |
|
replacement code: Y (?) VALVE,EGR ME2276* |
1.33 kg |
JP¥70,245
US$453.14€386.94 |
||||
| 12404 |
BRACKET,EMISSION SOLENOID VALVE ME2264* |
1 | — | 12/21/2006 — 05/01/2009 |
JP¥2,888
US$18.63€15.91 |
|
| 12419 |
FILTER,EMISSION SOLENOID VALVE ME0113* |
1 | 0.001 kg | 12/21/2006 — 05/01/2009 | part number changed | |
|
replacement code: O (?) FILTER,EMISSION SOLENOID VALVE ME0127* |
— |
JP¥704
US$4.54€3.88 |
||||
| 12421A |
VALVE ASSY,EMISSION SOLENOID ME2264* |
1 | — | 12/21/2006 — 05/01/2009 |
JP¥85,470
US$551.35€470.81 |
|
| 12421C |
VALVE,EMISSION SOLENOID MC1293* |
1 | 0.07 kg | 12/21/2006 — 05/01/2009 |
JP¥4,778
US$30.82€26.32 |
|
| 12437 |
PAD,EMISSION VACUUM CONTROL HOSE ME2264* |
1 | — | 12/21/2006 — 05/01/2009 |
JP¥830
US$5.35€4.57 |
|
| 12444 |
COOLER,EGR ME2267* |
1 | 3.63 kg | 12/21/2006 — 05/01/2009 |
JP¥71,715
US$462.62€395.04 |
|
| 12447B |
BRACKET,EGR COOLER ME2270* |
1 | — | 09/01/2007 — 05/01/2009 | part number changed | |
|
replacement code: Y (?) BRACKET,EGR COOLER ME2251* |
— |
JP¥40,425
US$260.77€222.68 |
||||
| 12454 |
GASKET,EGR PIPE ME2276* |
1 | 0.01 kg | 06/21/2007 — 05/01/2009 | part number changed | |
|
replacement code: Y (?) GASKET,EGR PIPE ME2243* |
— |
JP¥1,365
US$8.81€7.52 |
||||
| 12454B |
GASKET,EGR PIPE ME2276* |
1 | 0.012 kg | 06/21/2007 — 05/01/2009 | part number changed | |
|
replacement code: Y (?) GASKET,EGR PIPE ME2243* |
— |
JP¥2,153
US$13.89€11.86 |
||||
| 12454C |
GASKET,EGR PIPE ME2219* |
1 | 0.03 kg | 12/21/2006 — 05/01/2009 |
JP¥1,208
US$7.79€6.65 |
|
| 12454D |
GASKET,EGR PIPE ME2262* |
1 | 0.02 kg | 12/21/2006 — 05/01/2009 |
JP¥1,785
US$11.51€9.83 |
|
| 12454E |
GASKET,EGR PIPE ME2276* |
1 | 0.01 kg | 06/21/2007 — 05/01/2009 | part number changed | |
|
replacement code: Y (?) GASKET,EGR PIPE ME2249* |
— |
JP¥1,365
US$8.81€7.52 |
||||
| 12454F |
GASKET,EGR PIPE ME2276* |
1 | 0.02 kg | 06/21/2007 — 05/01/2009 | part number changed | |
|
replacement code: Y (?) GASKET,EGR PIPE ME2267* |
— |
JP¥2,468
US$15.92€13.59 |
||||
| 12466 |
PIPE,EGR VALVE ME2260* |
1 | — | 12/21/2006 — 05/01/2009 |
JP¥27,930
US$180.17€153.85 |
|
| 12466B |
PIPE,EGR VALVE ME2268* |
1 | — | 12/21/2006 — 05/01/2009 | part number changed | |
|
replacement code: Y (?) PIPE,EGR VALVE ME2287* |
— |
JP¥13,965
US$90.09€76.93 |
||||
| 12466C |
PIPE,EGR VALVE ME2258* |
1 | — | 12/21/2006 — 05/01/2009 | part number changed | |
|
replacement code: Y (?) PIPE,EGR VALVE ME2287* |
— |
JP¥27,930
US$180.17€153.85 |
||||
| 12938 |
SPACER,EGR EQUIP 8X10 MS4567* |
2 | 0.001 kg | 12/21/2006 — 05/01/2009 |
JP¥1,523
US$9.82€8.39 |
|
| 12983 |
PIPE,EGR EQUIP MK6016* |
1 | — | 12/21/2006 — 05/01/2009 |
JP¥6,248
US$40.30€34.42 |
|
| 12984 |
NUT,EGR EQUIP FLANGE 8 ME2010* |
3 | 0.01 kg | 12/21/2006 — 05/01/2009 |
JP¥326
US$2.10€1.80 |
|
| 12985 |
HOSE,EGR EQUIP 3X170 MK4412* |
1 | — | 12/21/2006 — 05/01/2009 |
JP¥494
US$3.19€2.72 |
|
| 12985B |
HOSE,EGR EQUIP 3X120 MK4412* |
1 | — | 12/21/2006 — 05/01/2009 |
JP¥263
US$1.70€1.45 |
|
| 12986 |
CLIP,EGR EQUIP D=6.8 MS6601* |
2 | 0.001 kg | 12/21/2006 — 05/01/2009 |
JP¥315
US$2.03€1.74 |
|
| 12988FB |
BOLT,EGR EQUIP 7T 8X55 MF1402* |
1 | 0.12 kg | 12/21/2006 — 05/01/2009 |
JP¥357
US$2.30€1.97 |
|
| 12988FC |
BOLT,EGR EQUIP 7T 8X45 MF1402* |
3 | 0.02 kg | 12/21/2006 — 05/01/2009 |
JP¥368
US$2.37€2.03 |
|
| 12988FE |
BOLT,EGR EQUIP FLANGE 8X30 MH0014* |
2 | 0.015 kg | 12/21/2006 — 05/01/2009 |
JP¥357
US$2.30€1.97 |
|
| 12988FF |
BOLT,EGR EQUIP 7T 8X20 MF1402* |
4 | 0.01 kg | 12/21/2006 — 05/01/2009 |
JP¥263
US$1.70€1.45 |
|
| 12988FG |
BOLT,EGR EQUIP 7T FLANGE 8X85 MF1402* |
2 | 0.04 kg | 12/21/2006 — 05/01/2009 |
JP¥431
US$2.78€2.37 |
|
| 12988HB |
BOLT,EGR EQUIP 10X70 MH0007* |
1 | 0.04 kg | 12/21/2006 — 05/01/2009 |
JP¥546
US$3.52€3.01 |
|
| 12988HC |
BOLT,EGR EQUIP 8T 10X25 MF1404* |
1 | 0.025 kg | 12/21/2006 — 05/01/2009 | part number changed | |
|
replacement code: Y (?) BOLT,EGR EQUIP 8T 10X25 MX9366* |
— | quote request | ||||
| 12988HE |
BOLT,EGR EQUIP FLANGE 7T 10X50 MH0007* |
2 | 0.04 kg | 12/21/2006 — 05/01/2009 |
JP¥536
US$3.46€2.95 |
|
| 12988HF |
BOLT,EGR EQUIP FLANGE 7T 10X80 MH0008* |
2 | 0.05 kg | 12/21/2006 — 05/01/2009 |
JP¥431
US$2.78€2.37 |
|
| 12988HG |
BOLT,EGR EQUIP FLANGE 7T 10X105 MH0008* |
2 | 0.07 kg | 12/21/2006 — 05/01/2009 |
JP¥2,363
US$15.24€13.02 |
|
| 12988HH |
BOLT,EGR EQUIP 8T FLANGE 10X40 MF1404* |
1 | 0.06 kg | 12/21/2006 — 05/01/2009 |
JP¥378
US$2.44€2.08 |
|
| 12989 |
O-RING,EMISSION VACUUM CONTROL EQUIP D=25 MH0356* |
1 | 0.002 kg | 12/21/2006 — 05/01/2009 |
JP¥525
US$3.39€2.89 |
|
| 12994 |
NUT,EMISSION SOLENOID VALVE W/O COATING 8 MF4341* |
2 | 0.008 kg | 12/21/2006 — 05/01/2009 | part number changed | |
|
replacement code: Y (?) NUT,EMISSION SOLENOID VALVE W/O COATING 8 MX9365* |
— | quote request | ||||
|
replacement code: Y (?) NUT,EMISSION SOLENOID VALVE W/O COATING 8 MX9363* |
— | quote request | ||||
| 12996C |
CLIP,EMISSION SOLENOID VALVE MD1208* |
1 | — | 12/21/2006 — 05/01/2009 | part number changed | |
|
replacement code: Y (?) CLIP,EMISSION SOLENOID VALVE MD0018* |
— |
JP¥231
US$1.49€1.27 |
||||
| 12999 |
BOLT,EMISSION SOLENOID VALVE 4T 8X20 MF1400* |
2 | 0.014 kg | 12/21/2006 — 05/01/2009 | part number changed | |
|
replacement code: Y (?) BOLT,EMISSION SOLENOID VALVE 4T 8X20 MX9366* |
— | quote request | ||||
| 12999B |
BOLT,EMISSION SOLENOID VALVE 4T 8X16 MF1400* |
2 | 0.013 kg | 12/21/2006 — 05/01/2009 | part number changed | |
|
replacement code: Y (?) BOLT,EMISSION SOLENOID VALVE 4T 8X16 MX9359* |
— | quote request |