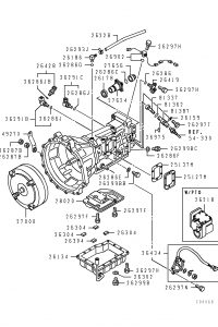
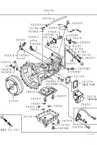
23 110 A/T CASE for Mitsubishi Fuso (2007, FE83D-0540033)
- Chassis No FE83D-0540033
- Vehicle Name CANTER JPN
- Product Year 10/11/2007
- Vehicle Model FE83D
- Model Year 2007
- Classification Name WB-C HIGH-FLOOR DBL A/T 4M50(T4)
- Eng Model 4M504A4F1003
- Eng No C95676
- TM Model M035A4C018
- TM No A0B64228
- Axle FF Model F200T0TJ212
- Axle FF No 0878127
- Axle RF No 0878126
- Axle RR Model R033T10245
- Em Mark PDG
There is several schemes for current parts group, choose the one you need.
Parts
Attention!
At the request of the manufacturer, we do’t show the full catalog numbers in the public catalog until the purchase is made.
If you have the OEM part number of the part you need, you should use search OEM page.
| Name and number | Req | Weight | Period of application | Price | ||
|---|---|---|---|---|---|---|
| 20993B |
O-RING,T/M CONNECTING D=12 MH0352* |
1 | — | 06/01/2007 — 05/11/2008 | part number changed | |
|
replacement code: Y (?) O-RING,T/M CONNECTING D=12 ME6090* |
— |
JP¥536
US$3.46€2.96 |
||||
| 20993D |
O-RING,T/M CONNECTING D=10 MF5200* |
2 | 0.003 kg | 06/01/2007 — 05/11/2008 |
JP¥284
US$1.84€1.57 |
|
| 20994C |
NUT,T/M CONNECTING W/O COATING 6 MF4341* |
2 | 0.005 kg | 06/01/2007 — 05/11/2008 | part number changed | |
|
replacement code: Y (?) NUT,T/M CONNECTING W/O COATING 6 MS4341* |
— | quote request | ||||
|
replacement code: Y (?) NUT,T/M CONNECTING W/O COATING 6 MX9364* |
— | quote request | ||||
|
replacement code: Y (?) NUT,T/M CONNECTING W/O COATING 6 MX9366* |
— | quote request | ||||
| 20994D |
NUT,T/M CONNECTING 4T D=10 MF4341* |
2 | 0.011 kg | 12/21/2006 — 05/01/2009 | part number changed | |
|
replacement code: O (?) NUT,T/M CONNECTING 4T D=10 MX0006* |
— |
JP¥221
US$1.43€1.22 |
||||
|
replacement code: Y (?) NUT,T/M CONNECTING 4T D=10 MX9366* |
— | quote request | ||||
|
replacement code: Y (?) NUT,T/M CONNECTING 4T D=10 MX9363* |
— | quote request | ||||
| 20998 |
BRACKET,T/M CONNECTING ME5252* |
1 | — | 06/01/2007 — 05/11/2008 |
JP¥830
US$5.36€4.58 |
|
| 20999B |
BOLT,T/M CONNECTING FLANGE 10X16 MH0014* |
4 | 0.02 kg | 12/21/2006 — 05/01/2009 |
JP¥336
US$2.17€1.85 |
|
| 20999H |
BOLT,T/M CONNECTING 4T 8X25 MF1400* |
2 | 0.016 kg | 06/01/2007 — 05/11/2008 |
JP¥210
US$1.36€1.16 |
|
| 20999P |
BOLT,T/M CONNECTING 7T FLANGE 10X80 MF1402* |
7 | 0.05 kg | 12/21/2006 — 05/01/2009 |
JP¥462
US$2.99€2.55 |
|
| 20999S |
BOLT,T/M CONNECTING FLANGE 7T 12X60 MH0009* |
2 | 0.07 kg | 12/21/2006 — 05/01/2009 |
JP¥567
US$3.66€3.13 |
|
| 20999T |
BOLT,T/M CONNECTING 4T 8X12 MF1400* |
4 | 0.012 kg | 12/21/2006 — 05/01/2009 | part number changed | |
|
replacement code: Y (?) BOLT,T/M CONNECTING 4T 8X12 MX9363* |
— | quote request | ||||
| 20999U |
BOLT,T/M CONNECTING FLANGE 10T 12X100 MH0007* |
1 | 0.1 kg | 12/21/2006 — 05/01/2009 |
JP¥683
US$4.41€3.77 |
|
| 20999V |
BOLT,T/M CONNECTING WASHER ASSEMBLED 7T 10X40 MF3008* |
8 | 0.05 kg | 12/21/2006 — 05/01/2009 |
JP¥284
US$1.84€1.57 |
|
| 20999W |
BOLT,T/M CONNECTING 7T FLANGE 10X55 MF1402* |
2 | — | 12/21/2006 — 05/01/2009 |
JP¥462
US$2.99€2.55 |
|
| 20999X |
BOLT,T/M CONNECTING FLANGE 10X95 MH0015* |
1 | 0.06 kg | 12/21/2006 — 05/01/2009 |
JP¥725
US$4.69€4.00 |
|
| 24567X |
BALL JOINT,GEARSHIFT LINK ME5115* |
1 | — | 06/01/2007 — 05/11/2008 |
JP¥3,360
US$21.72€18.54 |
|
| 24567Y |
BALL JOINT,GEARSHIFT LINK MC3657* |
1 | 0.1 kg | 06/01/2007 — 05/11/2008 | part number changed | |
|
replacement code: O (?) BALL JOINT,GEARSHIFT LINK MC0254* |
0.05 kg |
JP¥4,043
US$26.13€22.30 |
||||
| 24927B |
LEVER,A/T SHIFT LINK MK5256* |
1 | — | 06/01/2007 — 05/11/2008 |
JP¥2,573
US$16.63€14.19 |
|
| 24927Y |
LEVER,A/T SHIFT LINK MK5256* |
1 | — | 06/01/2007 — 05/11/2008 |
JP¥8,610
US$55.65€47.50 |
|
| 25127M |
COVER,T/M PTO HOLE ME6098* |
1 | — | 12/21/2006 — 05/01/2009 |
JP¥2,310
US$14.93€12.74 |
|
| 25137M |
GASKET,T/M PTO HOLE COVER ME6114* |
1 | — | 06/01/2007 — 05/11/2008 |
JP¥1,260
US$8.14€6.95 |
|
| 25744 |
ELBOW,T/M PTO ME6114* |
2 | — | 06/01/2007 — 05/11/2008 |
JP¥3,255
US$21.04€17.96 |
|
| 25767 |
WASHER,T/M PTO ME6114* |
6 | — | 06/01/2007 — 05/11/2008 |
JP¥200
US$1.29€1.10 |
|
| 25773B |
TUBE,T/M PTO ME6114* |
1 | — | 06/01/2007 — 05/11/2008 |
JP¥2,888
US$18.67€15.93 |
|
| 25773C |
TUBE,T/M PTO ME6114* |
1 | — | 06/01/2007 — 05/11/2008 |
JP¥6,195
US$40.04€34.18 |
|
| 25777 |
O-RING,T/M PTO ME6098* |
2 | — | 06/01/2007 — 05/11/2008 |
JP¥756
US$4.89€4.17 |
|
| 25778 |
NUT,T/M PTO ME6114* |
6 | — | 06/01/2007 — 05/11/2008 |
JP¥200
US$1.29€1.10 |
|
| 25787 |
BOLT,T/M PTO ME6114* |
6 | — | 06/01/2007 — 05/11/2008 |
JP¥263
US$1.70€1.45 |
|
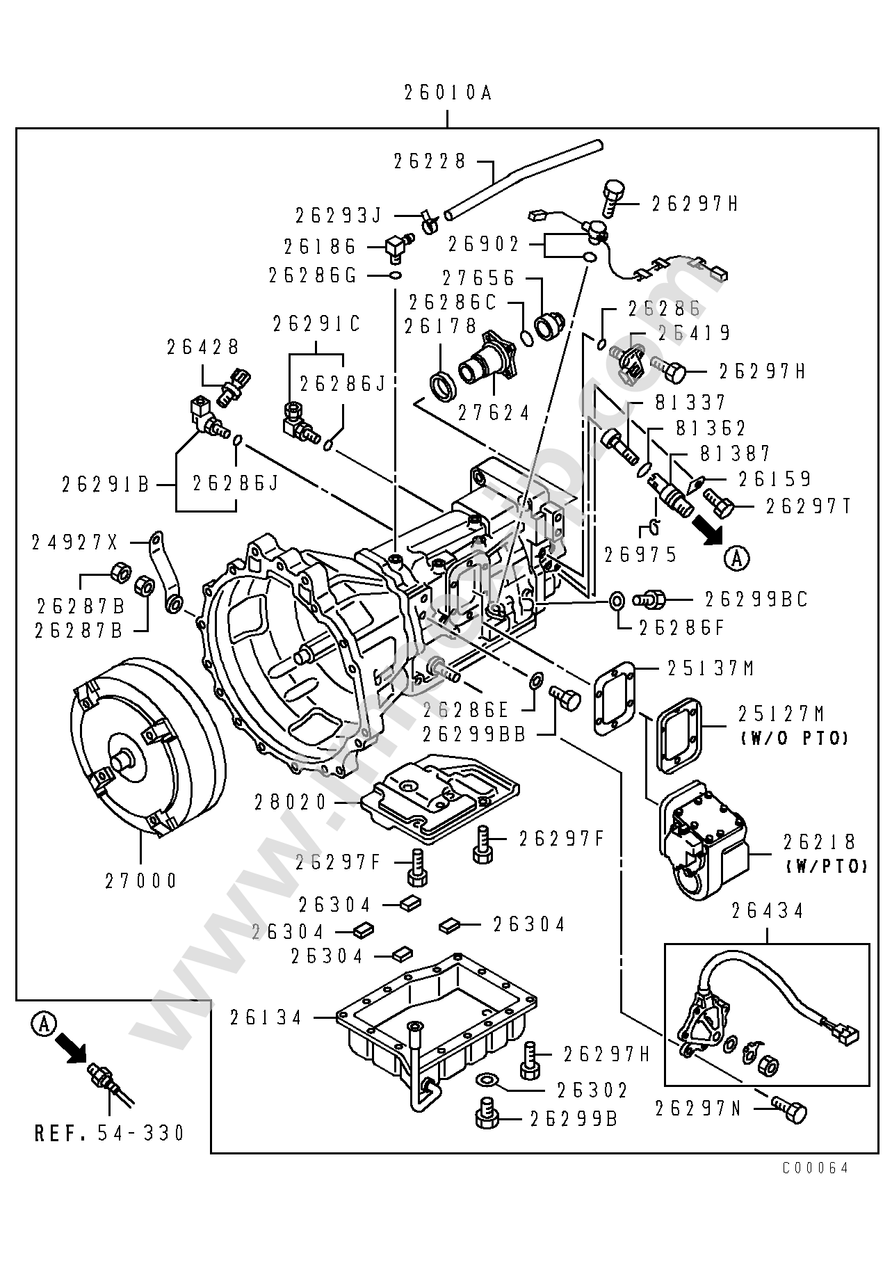
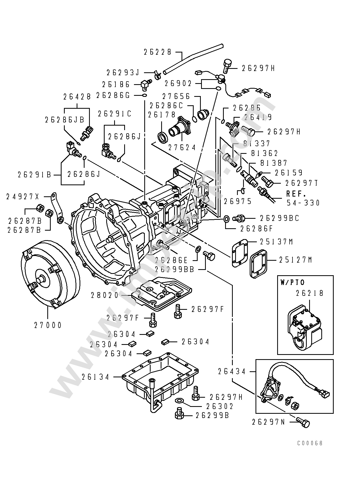
| 26010A |
AUTOMATIC TRANSMISSION SUB ASSY M035A4 ME5269* |
1 | — | 06/01/2007 — 05/11/2008 |
JP¥1,149,750
US$7,431.65€6,342.75 |
|
| 26109B |
BRACKET,A/T CASE MANUAL CONTROL CABLE ME6978* |
1 | — | 06/01/2007 — 05/11/2008 |
JP¥4,620
US$29.86€25.49 |
|
| 26109C |
BRACKET,A/T CASE MANUAL CONTROL CABLE ME6969* |
1 | — | 06/01/2007 — 05/11/2008 |
JP¥23,520
US$152.03€129.75 |
|
| 26113 |
BREATHER,A/T CASE ME6040* |
1 | — | 06/01/2007 — 05/11/2008 |
JP¥1,995
US$12.90€11.01 |
|
| 26134 |
OIL PAN,A/T CASE ME6098* |
1 | — | 06/01/2007 — 05/11/2008 |
JP¥16,905
US$109.27€93.26 |
|
| 26147 |
ROD,A/T CASE ANCHOR MK5250* |
1 | — | 06/01/2007 — 05/11/2008 |
JP¥5,880
US$38.01€32.44 |
|
| 26159 |
RETAINER,A/T CASE MODULATOR ME6093* |
1 | — | 06/01/2007 — 05/11/2008 |
JP¥399
US$2.58€2.20 |
|
| 26178 |
OIL SEAL,A/T EXTENSION HOUSING ME6098* |
1 | 0.02 kg | 06/01/2007 — 05/11/2008 |
JP¥2,258
US$14.60€12.46 |
|
| 26202 |
COVER,A/T CLUTCH HOUSING ME5127* |
2 | — | 12/21/2006 — 05/01/2009 |
JP¥3,623
US$23.42€19.99 |
|
| 26218 |
POWER TAKE OFF KIT,A/T CASE ME5170* |
1 | — | 06/01/2007 — 05/11/2008 |
JP¥506,100
US$3,271.28€2,791.97 |
|
| 26275 |
SPACER,A/T CASE T=53 ME5183* |
1 | — | 06/01/2007 — 05/11/2008 |
JP¥12,705
US$82.12€70.09 |
|
| 26276B |
BAND,A/T CASE BLACK L=129.5 MB2493* |
1 | — | 06/01/2007 — 05/11/2008 | part number changed | |
|
replacement code: O (?) BAND,A/T CASE BLACK L=129.5 MB0840* |
0.002 kg |
JP¥326
US$2.11€1.80 |
||||
| 26277J |
WASHER,A/T CASE WAVE 16 MF4511* |
1 | 0.01 kg | 06/01/2007 — 05/11/2008 |
JP¥252
US$1.63€1.39 |
|
| 26277K |
WASHER,A/T CASE PLAIN 10 MF4501* |
1 | — | 06/01/2007 — 05/11/2008 | part number changed | |
|
replacement code: Y (?) WASHER,A/T CASE PLAIN 10 MF4301* |
— | quote request | ||||
| 26277S |
WASHER,A/T CASE 10 MF4504* |
4 | 0.005 kg | 06/01/2007 — 05/11/2008 | part number changed | |
|
replacement code: Y (?) WASHER,A/T CASE 10 MC8438* |
0.01 kg |
JP¥105
US$0.68€0.58 |
||||
|
replacement code: Y (?) WASHER,A/T CASE 10 MX9366* |
— | quote request | ||||
| 26286 |
O-RING,A/T CASE ME6093* |
1 | — | 06/01/2007 — 05/11/2008 |
JP¥756
US$4.89€4.17 |
|
| 26286C |
O-RING,A/T CASE ME6094* |
1 | — | 06/01/2007 — 05/11/2008 |
JP¥683
US$4.41€3.77 |
|
| 26286E |
O-RING,A/T CASE ME6098* |
2 | — | 12/21/2006 — 05/01/2009 |
JP¥756
US$4.89€4.17 |
|
| 26286F |
O-RING,A/T CASE ME6094* |
7 | — | 06/01/2007 — 05/11/2008 |
JP¥756
US$4.89€4.17 |
|
| 26286J |
O-RING,A/T CASE ME6094* |
2 | — | 06/01/2007 — 05/11/2008 |
JP¥756
US$4.89€4.17 |
|
| 26287G |
NUT,A/T CASE 8 MF4300* |
2 | 0.003 kg | 06/01/2007 — 05/11/2008 |
JP¥378
US$2.44€2.09 |
|
| 26287K |
NUT,A/T CASE 4T D=10 MF4341* |
1 | 0.011 kg | 06/01/2007 — 05/11/2008 | part number changed | |
|
replacement code: O (?) NUT,A/T CASE 4T D=10 MX0006* |
— |
JP¥221
US$1.43€1.22 |
||||
|
replacement code: Y (?) NUT,A/T CASE 4T D=10 MX9366* |
— | quote request | ||||
|
replacement code: Y (?) NUT,A/T CASE 4T D=10 MX9363* |
— | quote request | ||||
| 26287M |
NUT,A/T CASE WITH COATING FLANGE 8 ME6911* |
2 | 0.005 kg | 06/01/2007 — 05/11/2008 |
JP¥798
US$5.16€4.40 |
|
| 26287P |
NUT,A/T CASE 8 MF4307* |
1 | — | 06/01/2007 — 05/11/2008 | part number changed | |
|
replacement code: Y (?) NUT,A/T CASE 8 ME4307* |
— |
JP¥200
US$1.29€1.10 |
||||
| 26287Q |
NUT,A/T CASE LH-THREAD LOCK 8 MS4460* |
1 | 0.005 kg | 06/01/2007 — 05/11/2008 |
JP¥305
US$1.97€1.68 |
|
| 26291B |
JOINT,A/T CASE ME6094* |
2 | — | 06/01/2007 — 05/11/2008 |
JP¥3,360
US$21.72€18.54 |
|
| 26291C |
JOINT,A/T CASE ME6098* |
2 | — | 06/01/2007 — 05/11/2008 |
JP¥3,518
US$22.74€19.41 |
|
| 26293 |
CLIP,A/T CASE W/O NUT 10 MB0330* |
2 | 0.01 kg | 06/01/2007 — 05/11/2008 |
JP¥326
US$2.11€1.80 |
|
| 26293C |
CLIP,A/T CASE D=16 MH0208* |
1 | 0.02 kg | 06/01/2007 — 05/11/2008 |
JP¥315
US$2.04€1.74 |
|
| 26293D |
CLIP,A/T CASE D=60 MS4700* |
1 | 0.01 kg | 06/01/2007 — 05/11/2008 |
JP¥284
US$1.84€1.57 |
|
| 26295Y |
BUSHING,A/T CASE 18X25 MB1753* |
1 | 0.01 kg | 06/01/2007 — 05/11/2008 |
JP¥1,155
US$7.47€6.37 |
|
| 26296D |
BRACKET,A/T CASE MK5507* |
1 | — | 06/01/2007 — 05/11/2008 |
JP¥693
US$4.48€3.82 |
|
| 26296E |
BRACKET,A/T CASE ME6106* |
1 | — | 06/01/2007 — 05/11/2008 |
JP¥966
US$6.24€5.33 |
|
| 26296G |
BRACKET,A/T CASE MK6014* |
1 | — | 06/01/2007 — 05/11/2008 |
JP¥2,310
US$14.93€12.74 |
|
| 26296H |
BRACKET,A/T CASE L1=35,L2=25 MH0236* |
1 | 0.02 kg | 06/01/2007 — 05/11/2008 |
JP¥305
US$1.97€1.68 |
|
| 26297B |
BOLT,A/T CASE 8.8 10X20 MS1460* |
2 | 0.02 kg | 06/01/2007 — 05/11/2008 |
JP¥651
US$4.21€3.59 |
|
| 26297BB |
BOLT,A/T CASE 4T 8X16 MF1400* |
3 | 0.013 kg | 06/01/2007 — 05/11/2008 | part number changed | |
|
replacement code: Y (?) BOLT,A/T CASE 4T 8X16 MX9359* |
— | quote request | ||||
| 26297C |
BOLT,A/T CASE 4T FLANGE 10X16 MF1400* |
2 | 0.02 kg | 06/01/2007 — 05/11/2008 | part number changed | |
|
replacement code: Y (?) BOLT,A/T CASE 4T FLANGE 10X16 MF1514* |
— | quote request | ||||
| 26297D |
BOLT,A/T CASE 4T 6X25 MF1400* |
1 | 0.04 kg | 06/01/2007 — 05/11/2008 |
JP¥273
US$1.76€1.51 |
|
| 26297F |
BOLT,A/T CASE 4T 6X16 MF1400* |
1 | 0.006 kg | 06/01/2007 — 05/11/2008 |
JP¥231
US$1.49€1.27 |
|
| 26297F |
BOLT,A/T CASE L=16 ME6094* |
4 | — | 06/01/2007 — 05/11/2008 |
JP¥284
US$1.84€1.57 |
|
| 26297F |
BOLT,A/T CASE ME6098* |
2 | — | 06/01/2007 — 05/11/2008 |
JP¥315
US$2.04€1.74 |
|
| 26297N |
BOLT,A/T CASE ME6094* |
2 | — | 06/01/2007 — 05/11/2008 |
JP¥284
US$1.84€1.57 |
|
| 26297S |
BOLT,A/T CASE REAMER 10T 10X37 MH0009* |
4 | 0.027 kg | 06/01/2007 — 05/11/2008 |
JP¥483
US$3.12€2.66 |
|
| 26297S |
BOLT,A/T CASE 4T 10X20 MF1400* |
1 | 0.023 kg | 06/01/2007 — 05/11/2008 |
JP¥252
US$1.63€1.39 |
|
| 26297X |
BOLT,A/T CASE 7T FLANGE 12X30 MF1402* |
2 | 0.04 kg | 06/01/2007 — 05/11/2008 |
JP¥284
US$1.84€1.57 |
|
| 26299B |
PLUG,A/T CASE ME6094* |
1 | — | 06/01/2007 — 05/11/2008 |
JP¥725
US$4.69€4.00 |
|
| 26299BB |
PLUG,A/T CASE ME6098* |
2 | — | 12/21/2006 — 05/01/2009 |
JP¥609
US$3.94€3.36 |
|
| 26299BC |
PLUG,A/T CASE ME6094* |
7 | — | 06/01/2007 — 05/11/2008 |
JP¥609
US$3.94€3.36 |
|
| 26302 |
GASKET,A/T OIL PAN DRAIN PLUG ME6094* |
1 | — | 06/01/2007 — 05/11/2008 |
JP¥347
US$2.24€1.91 |
|
| 26303 |
GAUGE,A/T OIL LEVEL ME5169* |
1 | — | 06/01/2007 — 05/11/2008 |
JP¥5,985
US$38.69€33.02 |
|
| 26304 |
MAGNET,A/T OIL PAN ME6094* |
4 | — | 06/01/2007 — 05/11/2008 |
JP¥431
US$2.79€2.38 |
|
| 26305B |
TUBE,A/T OIL COOLER FEED 10 ME5140* |
1 | — | 06/01/2007 — 05/11/2008 |
JP¥1,523
US$9.84€8.40 |
|
| 26305C |
TUBE,A/T OIL COOLER FEED 10 ME5140* |
1 | — | 06/01/2007 — 05/11/2008 |
JP¥1,995
US$12.90€11.01 |
|
| 26308 |
GUIDE,A/T CASE OIL LEVEL GAUGE 15.9 ME5171* |
1 | — | 06/01/2007 — 05/11/2008 |
JP¥10,080
US$65.15€55.61 |
|
| 26419 |
SENSOR,A/T SPEED DARK BLUE ME6093* |
1 | — | 06/01/2007 — 05/11/2008 | part number changed | |
|
replacement code: Y (?) SENSOR,A/T SPEED DARK BLUE ME6098* |
— | quote request | ||||
| 26428 |
SENSOR,T/M OIL TEMPERATURE ME5275* |
1 | — | 06/01/2007 — 05/11/2008 |
JP¥11,655
US$75.33€64.30 |
|
| 26434 |
SWITCH,A/T CASE INHIBITOR ME5087* |
1 | — | 06/01/2007 — 05/11/2008 |
JP¥18,900
US$122.16€104.26 |
|
| 26961 |
PLUG,A/T 31 ME6095* |
2 | 0.064 kg | 12/21/2006 — 05/01/2009 | part number changed | |
|
replacement code: Y (?) PLUG,A/T 31 ME0203* |
0.01 kg |
JP¥1,008
US$6.52€5.56 |
||||
| 26975 |
CLIP,A/T CONTROL EQUIP ME6093* |
1 | — | 06/01/2007 — 05/11/2008 |
JP¥494
US$3.19€2.73 |
|
| 27000 |
TORQUE CONVERTER,A/T ME5042* |
1 | — | 06/01/2007 — 05/11/2008 | part number changed | |
|
replacement code: Y (?) TORQUE CONVERTER,A/T ME6098* |
— |
JP¥439,950
US$2,843.71€2,427.04 |
||||
| 27624 |
FLANGE,A/T OUTPUT ME5275* |
1 | — | 06/01/2007 — 05/11/2008 |
JP¥43,575
US$281.66€240.39 |
|
| 27656 |
NUT,A/T POWER TRAIN FLANGE ME6094* |
1 | — | 06/01/2007 — 05/11/2008 |
JP¥1,523
US$9.84€8.40 |
|
| 28020 |
OIL FILTER,A/T VALVE BODY ME6098* |
1 | — | 06/01/2007 — 05/11/2008 |
JP¥8,820
US$57.01€48.66 |
|
| 50250AJ |
BRAKE SUB ASSY,PARKING MK5280* |
1 | — | 06/01/2007 — 05/11/2008 |
JP¥34,335
US$221.93€189.41 |
|
| 50291J |
DRUM,PARKING BRAKE MK5014* |
1 | — | 06/01/2007 — 05/11/2008 |
JP¥12,810
US$82.80€70.67 |
|
| 50371 |
PLUG,PARKING BRAKE MK5284* |
2 | — | 06/01/2007 — 05/11/2008 |
JP¥693
US$4.48€3.82 |
|
| 50999JB |
BOLT,PARKING BRAKE 12X42 MH0017* |
4 | — | 06/01/2007 — 05/11/2008 |
JP¥504
US$3.26€2.78 |
|
| 81337 |
GEAR,SPEEDOMETER DRIVEN N=19 ME5104* |
1 | — | 06/01/2007 — 05/11/2008 |
JP¥9,030
US$58.37€49.82 |
|
| 81362 |
O-RING,SPEEDOMETER DRIVEN GEAR SLEEVE ME6093* |
1 | — | 06/01/2007 — 05/11/2008 |
JP¥1,029
US$6.65€5.68 |
|
| 81387 |
SLEEVE,SPEEDOMETER DRIVEN GEAR ME6093* |
1 | — | 06/01/2007 — 05/11/2008 |
JP¥4,043
US$26.13€22.30 |